⌚ LUNI - VINERI 9.00 - 17.00

ALFA LAVAL Schimbator de caldura cu placi ALFA LAVAL, model M3-FG 25PL - 200 kW

ALFA LAVAL
4.374,60 RON
TVA inclus
Schimbatorul de caldura va fi configurat in baza chestionarului completat in prealabil de catre client. Pentru a putea beneficia de o oferta tehnica si comerciala, va rugam sa completati chestionarul din sectiunea DOWNLOAD de mai jos!

PRODUS ACHIZITIONABIL PRIN S.E.A.P.

Click pentru detalii 
In stoc

Durata de livrare: 7 - 14 zile

Limita stoc
Adauga in cos
Cod Produs: M3-FG 25PL Ai nevoie de ajutor? 0373.760.413
Adauga la Favorite Cere informatii Comanda rapida
  • Descriere
  • Caracteristici
  • Download (2)
  • Review-uri (0)

Schimbator de caldura cu placi ALFA LAVAL, model M3-FG 25PL - 200 kW


Schimbatorul de caldura in placi ALFA LAVAL M3 - 200 kW este realizat cu placi (0,5 mm AISI 316) si garnituri (NITRL), fiind calculat in urmatoarele conditii: 


 Putere termica: 200 kW
 Debit acm la 10/60oC: 3.47 m3/h
 Debit acm la 10/60oC: 57.93 l/min
 Debit acm la 10/60oC: 0.97 l/s
 Pierdere de presiune circuit primar: 0.43 bar
 Pierdere de presiune circuit secundar: 0.08 bar
 Diamertru racord: 1"1/4
 Greutate: 25 kg
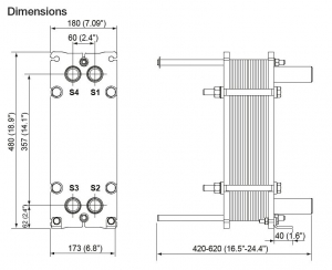
 Dimensiuni: 405x180x480mm
 Material placa / grosime: otel inox AISI 316 / 0.5 mm
 Material garnitura: NITRL
 Tip  racord: filet exterior 
 Presiune nominala de lucru: 16 bar

 

Pentru o alegera a unui schimbator de caldura in placi de tip ALFA LAVAL, in alte conditii de lucru fata de cele standard va rugam sa va adresati departamentului tehnic, ce dispune de un program performant de alegere al acestor schimbatoare de caldura cu placi.

 

Date constructive schimbator de caldura ALFA LAVAL M3-FG 

Schimatorul de caldura consta dintr-un pachet de placi metalice pentru trecerea celor doua fluide intre care va avea loc transferul de caldura. Pachetul de placi este asamblat intre o placa fixa si una mobila si comprimate prin strangerea suruburilor. Placile sunt prevazute cu o garnitura care inchide canalul si directioneaza fluidele in canalele alternative.

Numarul de placi este determinat de catre debit, proprietatile fizice ale fluidelor, pierderea de presiune si programul de temperatura. Nervurile placilor sustin regimul turbulent al fluidului si protejeaza placile de actiunea presiunii diferentiale. 


 Avantaje schimbatoare in placi ALFA LAVAL:

 Economie de energie: permite variatii foarte mici intre temperatura agentului primar si agentului secundar, rezultand intr-un grad ridicat de temperatura
 Eficienta mare: grad inalt de recuperare de caldura
 Perioada de utilizare pentru schimbatoarele de caldura este indelungata
 Costuri de exploatare scazute: suprafata de transfer termic este usor de marit sau micsorat
 Nu prezinta risc de opriri neprevazute ale instalatiei
 Au un design compact si o greutate scazuta, facandu-le usor de instalat

 

Schimbatorul de caldura poate fi folosit numai cu fluidele specificate în fisele tehnice de selectie
Schimbătorul de caldură cu placi este construit pe module si, prin urmare, este flexibil la măriri, reduceri sau rearanjarea pachetului de plăci. Este usor de modificat capacitatea prin mărirea,
respectiv reducerea numărului de plăci. In astfel de situatii se recomandă schimbarea placutei de identificare, fiindca se schimba mai multi paramentrii, inclusiv cota de strângere minimă.

Informatii conformitate produs

Putere termica (kW): 200

  • Chestionar dimensionare schimbator de caldura Alfa Laval

    Descarca
  • Fisa tehnica M3

    Descarca
Daca doresti sa iti exprimi parerea despre acest produs poti adauga un review.

Review-ul a fost trimis cu succes.

Compara produse

Trebuie sa mai adaugi cel putin un produs pentru a compara produse.

A fost adaugat la favorite!

A fost sters din favorite!