⌚ LUNI - VINERI 9.00 - 17.00

IVAR INDUSTRY Generator de abur 536 kW, 800 kg/h, 0.98 bar, Ivar Industry BLP 800

IVAR INDUSTRY
119.456,00 RON
TVA inclus

 

PRODUS ACHIZITIONABIL PRIN S.E.A.P.

Click pentru detalii 
 
La comanda

Durata de livrare: 2 - 4 saptamani

Limita stoc
Adauga in cos
Cod Produs: PFV0300800 Ai nevoie de ajutor? 0373.760.413
Adauga la Favorite Cere informatii Comanda rapida
  • Descriere
  • Caracteristici
  • Download (1)
  • Review-uri (0)
Generator de abur 536 kW, 800 kg/h, 0.98 bar, Ivar Industry BLP 800  

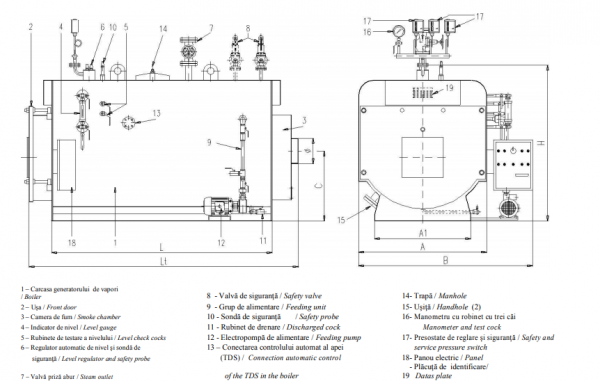
Cazanul model BLP este proiectat special pentru a functiona la presiunea de 0,98 bar.
Acest tip de generator se deosebeste prin calitatea aburului produs cu valori de saturatie aproape de valoarea unitara chiar si in situatiile unei cereri mari de productie de vapori.

• poate functiona cu orice tip de arzator compatibil ca putere: gaz, motorina sau CLU.
• presiune de lucru 0.98 bar.
• livrat monobloc gata de instalare cu urmatoarele echipamente: electrozi de nivel, presostate, indicator de nivel, 2 supape de siguranta, vane de racordare la instalatie, vana de purjare, o pompa de adaos, tablou electric complet si manometre.


 
MODEL - TYPE BLP
800
Puterea nominală kW 536
Nominal capacity kcal/h x1000 461
Puterea focarului kW 596
Furnace capacity kcal/h x1000 512,6
Producţia de abur kg/h 800
Steam production (1)
Pres. în camera de ardere mbar 5
Combust.chamber press.
Conţinut de apă total / Water content dm³ 1310
la nivel  dm³ / at level 920
Dimensiuni / Dimensions A mm 1310
B mm 1810
H mm 1590
A1 mm 1110
L mm 1820
Lt mm 2325
C mm 740
Racorduri / Connections Coş de fum Ø mm 250
- Stack
Abur DN 100
- Steam
Cap. de scurgere DN 1"
 - Discharge
Greutatea fără apă / Empty weight kg 1820

 
Informatii conformitate produs

Putere termica (kW): 536

Productie abur (kg/h): 800

Presiune de lucru (bar): 0.98

Gama puterii termice (kW): 500 - 750

  • Manual tehnic generator abur BLP Ivar Industry

    Descarca
Daca doresti sa iti exprimi parerea despre acest produs poti adauga un review.

Review-ul a fost trimis cu succes.

Compara produse

Trebuie sa mai adaugi cel putin un produs pentru a compara produse.

A fost adaugat la favorite!

A fost sters din favorite!