Durata de livrare: 24 - 48 ore
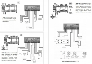
Cutie de cabluri pentru sisteme de amestecare cu control în punct fix, care include placa electronică echipată cu circuit imprimat, tablă de borne și releu.
Permite controlul pompei secundare pentru sistemul radiant, controlul semnalului de apel al cazanului, conectarea unui termostat de ambianță și conectarea unui termostat de siguranță.
Dispozitivul poate fi instalat în cutii de perete sau încastrate.
Sursă de alimentare: 230 V AC.
Curent maxim: 8A/250 V AC AC1, 3A/250 V AC AC3.
Tip de acționare: 1.b.
Temperatura maximă de funcționare: 55 °C.
Dimensiuni: 68 x 68 mm: 100 x 68 x 48 mm.
Momentan, informatiile despre siguranta produsului nu sunt disponibile.
Momentan, informatiile despre producator nu sunt disponibile.
Momentan, informatiile despre persoana responsabila nu sunt disponibile.
Tip produs: Extensie centru de comanda
Produse Alternative
Frecvent cumparate impreuna
Ultimele produse vizualizate
Newsletter Nu rata ofertele si promotiile noastre
Compara produse
Trebuie sa mai adaugi cel putin un produs pentru a compara produse.
A fost adaugat la favorite!
A fost sters din favorite!
