⌚ LUNI - VINERI 9.00 - 17.00

Termostroj Centrala termica electrica Termostroj, model TERMO Extra 48 - 48 kw

Termostroj
10.812,70 RON
TVA inclus
Pretul include taxa verde!

PRODUS ACHIZITIONABIL PRIN S.E.A.P.                   INFO P.I.F / A.F

Click pentru detalii 
La comanda

Durata de livrare: 2 - 4 saptamani

Limita stoc
Adauga in cos
Cod Produs: 1B05000130 Ai nevoie de ajutor? 0373.760.413
Adauga la Favorite Cere informatii Comanda rapida
  • Descriere
  • Caracteristici
  • Download (2)
  • Review-uri (0)
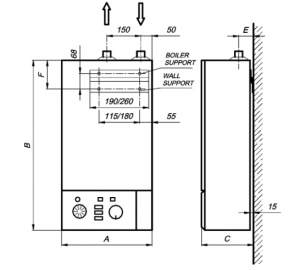
Centrala electrica, 48 kW, Termostroj Termo-Extra 48

· Termo Extra este o centrala electrica 100% pentru incalzirea centrala, disponibil cu o gama larga de putere (6 kW pana la 96 kW).
· Centrala Termo Extra este potrivita ca rezerva sau sursa paralela de incalzire in sistemul de incalzire centrala, dar poate fi folosit si ca sursa de incalzire independenta.
· La montarea intr-o instalatie a centralelor TERMO EXTRA este necesara montarea pompei, a vasului de expansiune si a celorlalte componente.
· Centrala Termo Extra poate fi conectat in sistem cu cascada.
· Centralele sunt echipate cu sistem automat de dezaerare si sistem de joasa tensiune.
· In cazul utilizarii industriale pentru puteri mai mari de 28 kW, este posibil sa conectati centrala la sistemul central de control si gestionare (atunci cand trebuie specificate caracteristicile sistemului de control comandat).
· Centralele au doar conexiuni de conducte superioare, functionare silentioasa si design modern acest cazan este foarte usor de amestecat in spatiul de locuit.
· Centralele electrice Termo Extra nu au nevoie de conexiune cu cosul de fum, iar intretinerea suplimentara nu este necesara si acesta este un motiv pentru alegerea acestui tip de incalzire in fata altor surse de caldura in sistemele de incalzire centrala (gaz, ulei de incalzire, combustibili solizi).
· Centrala poate fi utilizata in sisteme de incalzire deschisa si inchisa, pentru incalzirea in pardoseala si radiatoare.
· Utilizarea centralelor electrice poate fi si mai usoara atunci cand termostatul de camera (230V) este conectat la acesta.
· Tabloul electric al centralei TERMOSTROJ EXTRA contine, manometru, termometru, comutator antiinghet, termostat de siguranta manual, comutator pentru doua sau trei trepte de putere.
· Optiuni, ca panou de control electronic cu compensare a temperaturii exterioare, panoul de control cu ​​posibilitatea incalzirii apei calde menajere sau a limitatorului de alimentare in cascada permite si mai multe avantaje si economii.

Specificatii tehnice:
· Putere termica: 48 kW;
· Putere electrica: 48 kW;
· Curent nominal: 72.93 A;
· Dimensiuni (adancime x latime x inaltime): 310/400/750 mm;
· Racorduri hidraulice: 1";
· Presiune de lucru: 2.5 bar;
· Capacitate litri: 19 l;
· Greutate: 42 kg;
· Temperatura apei; 20-90 grade C.

Nota:
Garantie: 3 ani.

 
Informatii conformitate produs

Tip produs: Centrala de perete

Putere termica (kW): 48

Daca doresti sa iti exprimi parerea despre acest produs poti adauga un review.

Review-ul a fost trimis cu succes.

Compara produse

Trebuie sa mai adaugi cel putin un produs pentru a compara produse.

A fost adaugat la favorite!

A fost sters din favorite!