⌚ LUNI - VINERI 9.00 - 17.00

IVAR INDUSTRY Cazan din otel pe gaz cu doua drumuri de fum 3100 kW, 6 bar, randament inalt, Ivar Superac AR 3100

IVAR INDUSTRY
171.999,00 RON
TVA inclus

 

PRODUS ACHIZITIONABIL PRIN S.E.A.P.

Click pentru detalii 
La comanda

Durata de livrare: 2 - 4 saptamani

Limita stoc
Adauga in cos
Cod Produs: PFC2303100 Ai nevoie de ajutor? 0373.760.413
Adauga la Favorite Cere informatii Comanda rapida
  • Descriere
  • Caracteristici
  • Download (1)
  • Review-uri (0)
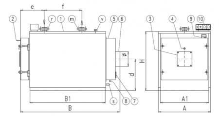
Cazan din otel, pe gaz, cu 2 drumuri de fum, 3100 kW, 6 bar, randament inalt, Ivar Superac AR 3100

· Cazanele din otel seria SUPERAC AR sunt cazane monobloc cu 2 drumuri de fum (intoarcere de flacara in focar) pentru instalaţii de încălzire a apei calde până la 90°C (115°C la cerere) şi pentru producerea de apă caldă menajeră atunci când este conectat la un boiler.
·
Datorita turbulatorilor speciali (brevetati) cazanele Superac AR au un randament mai mare de 94%.                                  

· Sunt cazane pentru combustie presurizată (arzatoare cu aer insuflat).
· Presiune standard: 6 bari (la cerere 8 sau 10 bari).
· Gazele de ardere sunt forţate de turbulatori să urmeze un parcurs sub formă ondulată care măreşte schimbul termic prin convecţie. În acest mod se obţine o absorbţie maximă a căldurii fără a provoca solicitări termice dăunătoare.
· Putere utila nominala: 3100 kW;
· Putere termica focar: 3255 kW;
· Contra presiune focar: 7.5 mbar;
· Continut de apa cazan: 3292 dm3;
· Randament la 100% (80/60°C): 95.2%;
· Randament la 30% (60/40°C): 97.8%;
· Masa: 5480 kg.

Furnitura de livrare standard cuprinde:
· Tablou de comanda electronic;
· Turbulatori din otel inox.

 
Informatii conformitate produs

Putere termica (kW): 3100

Gama puterii termice (kW): 3000 - 3500

  • Manual tehnic cazane de apa calda Superac AR Ivar Industry

    Descarca
Daca doresti sa iti exprimi parerea despre acest produs poti adauga un review.

Review-ul a fost trimis cu succes.

Compara produse

Trebuie sa mai adaugi cel putin un produs pentru a compara produse.

A fost adaugat la favorite!

A fost sters din favorite!