⌚ LUNI - VINERI 9.00 - 17.00

IVAR INDUSTRY Cazan din otel cu trei treceri de fum si fund umed, 3520 kW, 5 bar, Ivar Industry Trinox 3000

IVAR INDUSTRY
235.455,00 RON
TVA inclus
ü Cazanul din otel seria TRINOX, este un generator de caldura cu randament inalt pentru instalatii de incalzire a apei pana la 90°C, si de asemenea, cand este conectat la un boiler, pentru producerea apei calde menajere.
 

PRODUS ACHIZITIONABIL PRIN S.E.A.P.

Click pentru detalii 
La comanda

Durata de livrare: 2 - 4 saptamani

Limita stoc
Adauga in cos
Cod Produs: PFC8103000 Ai nevoie de ajutor? 0373.760.413
Adauga la Favorite Cere informatii Comanda rapida
  • Descriere
  • Caracteristici
  • Download (1)
  • Review-uri (0)
Cazan din otel, cu trei treceri de fum si fund umed, 3520 kW, 5 bar, Ivar Industry Trinox 3000

ü Cazanul din otel seria TRINOX, este un generator de caldura cu randament inalt pentru instalatii de incalzire a apei pana la 90°C, si de asemenea, cand este conectat la un boiler, pentru producerea apei calde menajere.
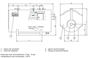
ü Este un cazan de tip monobloc cu combustie presurizata cu trei treceri de fum: flacara produsa de arzator se desfasoara in camera de combustie; la sfarsitul acesteia o deschidere face legatura cu o teava prin care gazele de ardere patrund pentru a se intoarce spre partea anterioara.
ü Separarea clara a inversiunii gazelor de ardere din camera de combustie este importanta pentru a reduce emisia de NOx; timpul de mentinere a gazelor de ardere in zona de temepratura ridicata, de fapt, este o cauza a formarii emisiilor de Nox. In partea anterioara, prin intermediul adanciturii formate in izolamentul usii, gazele de ardere patrund in fasciculul de tevi.

Caracteristici principale
· Cazanele TRINOX sunt cu trei treceri de fum ce ofera rezultate excelente in ceea ce priveste randamentul si emisiile scazute de gaze nocive, putandu-se instala cu orice arzator compatibil ca putere (G20, G31, tip M, CLU, mix);
· Performante foarte bune - emisii scazute de Nox;
· Randament ridicat fiind clasificate cu ordinul 3 stele conform normativei 92/42/CEE;
· Presiune de lucru max. 5 - 8 bar;
· Tablou de comanda pentru arzator in doua trepte inclus.

Date tehnice
§ Putere nominala utila: 3520 kW;
§ Randament: 92.4%;

§ Putere termica focar: 3810.0 kW;
§ Presiune camera de ardere: 7.7 mbar;
§ Pierdere presiune pe circuitul de apa: 95 mbar;
§ Volum de apa: 6332 dm3;
§ Masa neta: 7650 kg.
Informatii conformitate produs

Putere termica (kW): 3520

Gama puterii termice (kW): 3500 - 4000

  • Manual tehnic cazane Trinox Ivar Industry

    Descarca
Daca doresti sa iti exprimi parerea despre acest produs poti adauga un review.

Review-ul a fost trimis cu succes.

Compara produse

Trebuie sa mai adaugi cel putin un produs pentru a compara produse.

A fost adaugat la favorite!

A fost sters din favorite!