⌚ LUNI - VINERI 9.00 - 17.00

IVAR INDUSTRY Cazan din otel cu focar presurizat cu inversiune de flacara, pe combustibil gazos si lichid, Ivar SupeRAC930 940 KW 6 bar

IVAR INDUSTRY
45.104,80 RON
TVA inclus

 

PRODUS ACHIZITIONABIL PRIN S.E.A.P.

Click pentru detalii 
La comanda

Durata de livrare: 2 - 4 saptamani

Limita stoc
Adauga in cos
Cod Produs: PFC2100930 Ai nevoie de ajutor? 0373.760.413
Adauga la Favorite Cere informatii Comanda rapida
  • Descriere
  • Caracteristici
  • Download (1)
  • Review-uri (0)
Cazan din otel cu focar presurizat cu inversiune de flacara, pe combustibil gazos si lichid, Ivar SupeRAC930 940 KW 6 bar

Cazanul SupeRAC este un cazan cu focar cu inversiune de flacara potrivit pentru functionarea cu combustibil gazos si lichid. Cazanul este robust, durabil, cu randament mare si usor de intretinut, toate acestea garantate de:
• placa anterioara rotunjita spre focar si fara sudura in unghi
• placa posterioara bombata
• volum mare de apa
• constructie proiectata si analizata impotriva depunerilor de calcar si formarii condensului
• usa posterioara reversibila
• manta vopsita si izolata integral cu panouri din vata minerala de mare densitate

Lungime tub flacara arzator [mm]: 320 - 400
Diametru tub flacara arzator [mm]: 350

Cazanele SupeRAC din otel fara arzator au urmatoarele caracteristici:
          - pot functiona cu orice tip de arzator compatibil ca putere (G20, G31, tip M, CLU, mixt)
          - focar cu inversiune de flacara
          - randament ridicat ( >91% ) ce asigura o functionare ecologica a sistemului
          - presiune de lucru 5 sau 6 bar
          - tablou de comanda pentru arzator in doua trepte inclus in pret


 
MODEL - TYPE                                                                            SUPERAC 930
Putere utila nominala                 
Nominal capacity            
  kW 940
kcal/hx1000 808
Putere termica a focarului                         Furnace capacity   kW 1027
kcal/hx1000 884
Contrapresiune focar               
Furnace pressure
  mbar 5,4
Pierderi de sarcina pe partea apei *
Water side loos pressure
  mbar 33
Continut de apa din cazan             
Boiler water content
dm3 733
Pres. max a cazanului                  
Max boiler pressure **
 bar 6
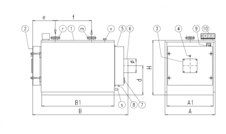
Dimensiuni
Dimensions
A  mm 1240
B  mm 2545
H  mm 1280
A1  mm 1200
B1  mm 2014
d  mm 640
e  mm 625
f   mm 1174
Racorduri
Connections
r / m   DN 100
v   DN 65
s   DN ¾”
ɸ mm 350
Greutate fara apa– empty weight          kg 1440

 
Informatii conformitate produs

Gama puterii termice (kW): 750 - 1000

Putere termica (kW): 940

  • Manual tehnic cazan cu focar presurizat pe combustibil gazos si lichid SupeRac Ivar Industry

    Descarca
Daca doresti sa iti exprimi parerea despre acest produs poti adauga un review.

Review-ul a fost trimis cu succes.

Compara produse

Trebuie sa mai adaugi cel putin un produs pentru a compara produse.

A fost adaugat la favorite!

A fost sters din favorite!