⌚ LUNI - VINERI 9.00 - 17.00

IVAR INDUSTRY Cazan din otel cu focar presurizat cu inversiune de flacara, pe combustibil gazos si lichid, Ivar SupeRAC1220 1240 KW 6 bar

IVAR INDUSTRY
55.202,80 RON
TVA inclus

 

PRODUS ACHIZITIONABIL PRIN S.E.A.P.

Click pentru detalii 
La comanda

Durata de livrare: 2 - 4 saptamani

Limita stoc
Adauga in cos
Cod Produs: PFC2101220 Ai nevoie de ajutor? 0373.760.413
Adauga la Favorite Cere informatii Comanda rapida
  • Descriere
  • Caracteristici
  • Download (1)
  • Review-uri (0)
Cazan din otel cu focar presurizat cu inversiune de flacara, pe combustibil gazos si lichid, Ivar SupeRAC1220  1240 KW 6 bar

Cazanul SupeRAC este un cazan cu focar cu inversiune de flacara potrivit pentru functionarea cu combustibil gazos si lichid. Cazanul este robust, durabil, cu randament mare si usor de intretinut, toate acestea garantate de:
• placa anterioara rotunjita spre focar si fara sudura in unghi
• placa posterioara bombata
• volum mare de apa
• constructie proiectata si analizata impotriva depunerilor de calcar si formarii condensului
• usa posterioara reversibila
• manta vopsita si izolata integral cu panouri din vata minerala de mare densitate

Lungime tub flacara arzator [mm]: 350 - 420
Diametru tub flacara arzator [mm]: 400

Cazanele SupeRAC din otel fara arzator au urmatoarele caracteristici:
          - pot functiona cu orice tip de arzator compatibil ca putere (G20, G31, tip M, CLU, mixt)
          - focar cu inversiune de flacara
          - randament ridicat ( >91% ) ce asigura o functionare ecologica a sistemului
          - presiune de lucru 5 sau 6 bar
          - tablou de comanda pentru arzator in doua trepte inclus in pret


 
MODEL - TYPE                                                                       SUPERAC 1220
Putere utila nominala                 
Nominal capacity            
  kW 1240
kcal/hx1000 1066
Putere termica a focarului                         Furnace capacity   kW 1349
kcal/hx1000 1160
Contrapresiune focar               
Furnace pressure
  mbar 6,5
Pierderi de sarcina pe partea apei *
Water side loos pressure
  mbar 36
Continut de apa din cazan             
Boiler water content
dm3 1277
Pres. max a cazanului                  
Max boiler pressure **
 bar 6
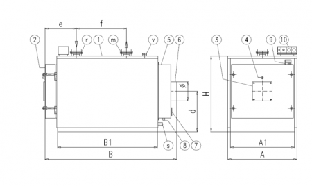
Dimensiuni
Dimensions
A  mm 1380
B  mm 2950
H  mm 1500
A1  mm 1380
B1  mm 2416
d  mm 810
e  mm 430
f   mm 1700
Racorduri
Connections
r / m   DN 125
v   DN 80
s   DN 1”1/2
ɸ mm 400
Greut fara apa– empty weight                                                  kg 2200
Informatii conformitate produs

Gama puterii termice (kW): 1000 - 1250

Putere termica (kW): 1240

  • Manual tehnic cazan cu focar presurizat pe combustibil gazos si lichid SupeRac Ivar Industry

    Descarca
Daca doresti sa iti exprimi parerea despre acest produs poti adauga un review.

Review-ul a fost trimis cu succes.

Compara produse

Trebuie sa mai adaugi cel putin un produs pentru a compara produse.

A fost adaugat la favorite!

A fost sters din favorite!