⌚ LUNI - VINERI 9.00 - 17.00

F.B.R Arzator mixt pe gaz/motorina modulant 4070-8721 kW, 2 1/2", cap de ardere lung F.B.R model K 750/M TL EL + R CE-CT

F.B.R
 

PRODUS ACHIZITIONABIL PRIN S.E.A.P.

Click pentru detalii 
Cod Produs: 004207R056158 Ai nevoie de ajutor? 0373.760.413
  • Descriere
  • Caracteristici
  • Review-uri (0)
Arzator mixt pe gaz/motorina, modulant, 4070-8721 kW, 2 1/2", cap de ardere lung, F.B.R K 750/M TL EL + R CE-CT

· Arzătoare cu combustibil dublu pe gaz / motorina în două etape progresive (flacără hi-low) sau modulatoare (modulând PID complet) dacă sunt echipate cu adaos de kit de modulare și sondă opționale.
· Acestea sunt compuse din: ventilator la presurizare ridicată și cap de ardere, cu reglare la eficiență ridicată și ridicat stabilitatea flăcării
· Dimensiunile globale compacte și dispoziția raționalizată a componentelor cu accesibilitatea facilitată pentru operațiuni de setare și întreținere.
· Adoptarea componentelor metalice puternice face ca arzătorul să fie rezistent și în condiții de rezistență.
· Combustibil gazos disponibil în versiunile METANE (gaz natural) sau L.P.G. (pentru a specifica la comandă) versiuni specifice la cerere pentru gazele orașului, gazul de cărbune sau biogazul.
· Trenul cu gaz complet asamblat și testat; complet de supapa de lucru clasa A, supapa de siguranță clasa A, etanșare a supapei sistem, comutator de presiune minimă a gazului - stabilizator filtru.
· Arzatoarele sunt furnizate cu duză, comutator de selectare a combustibilului, flanșă, garnitură pentru instalarea pe cazan, furtunuri flexibile, filtru de linie.
· Disponibile și versiuni speciale cu VSD (INVERTER) și BOX ELECTRONIC CONTROL.

 
Vezi mai mult Informatii conformitate produs

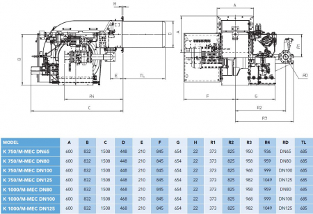
Putere termica arzator (kW): 4070 / 8721

Tip cap ardere: Lung

Numar de trepte: Modulant

Diametru racord rampa de gaz: 2 1/2

Tip combustibil: Gaz / Motorina

Daca doresti sa iti exprimi parerea despre acest produs poti adauga un review.

Review-ul a fost trimis cu succes.

Compara produse

Trebuie sa mai adaugi cel putin un produs pentru a compara produse.

A fost adaugat la favorite!

A fost sters din favorite!