
Durata de livrare: 7 - 14 zile
Pentru o alegera a unui schimbator de caldura in placi de tip ALFA LAVAL, in alte conditii de lucru fata de cele standard va rugam sa va adresati departamentului tehnic, ce dispune de un program performant de alegere al acestor schimbatoare de caldura cu placi.
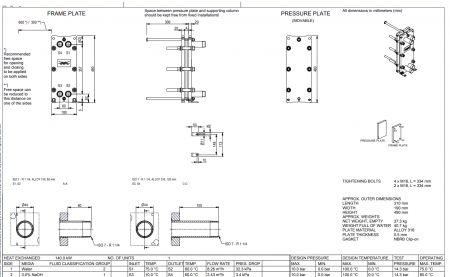
Date constructive schimbator de caldura ALFA LAVAL M3-FG
Schimatorul de caldura consta dintr-un pachet de placi metalice pentru trecerea celor doua fluide intre care va avea loc transferul de caldura. Pachetul de placi este asamblat intre o placa fixa si una mobila si comprimate prin strangerea suruburilor. Placile sunt prevazute cu o garnitura care inchide canalul si directioneaza fluidele in canalele alternative.
Numarul de placi este determinat de catre debit, proprietatile fizice ale fluidelor, pierderea de presiune si programul de temperatura. Nervurile placilor sustin regimul turbulent al fluidului si protejeaza placile de actiunea presiunii diferentiale.
Avantaje schimbatoare in placi ALFA LAVAL:
- Economie de energie: permite variatii foarte mici intre temperatura agentului primar si agentului secundar, rezultand intr-un grad ridicat de temperatura
- Eficienta mare: grad inalt de recuperare de caldura
- Perioada de utilizare pentru schimbatoarele de caldura este indelungata
- Costuri de exploatare scazute: suprafata de transfer termic este usor de marit sau micsorat
- Nu prezinta risc de opriri neprevazute ale instalatiei
- Au un design compact si o greutate scazuta, facandu-le usor de instalat
Schimbatorul de caldura poate fi folosit numai cu fluidele specificate în fisele tehnice de selectie
Schimbătorul de caldură cu placi este construit pe module si, prin urmare, este flexibil la măriri, reduceri sau rearanjarea pachetului de plăci. Este usor de modificat capacitatea prin mărirea,
respectiv reducerea numărului de plăci. In astfel de situatii se recomandă schimbarea placutei de identificare, fiindca se schimba mai multi paramentrii, inclusiv cota de strângere minimă.
Putere termica (kW): 140