Luni, 01.12.2025, magazinul este inchis. Comenzile plasate in aceasta data se vor procesa pe 02.12.2025.

Foras Pompa centrifuga monobloc 4 Kw, 25.2 mCA, 400V, Foras MN50-125 A

Foras
3.695,59 RON
TVA inclus

 

PRODUS ACHIZITIONABIL PRIN S.E.A.P.

Click pentru detalii 
La comanda

Durata de livrare: * solicitati termen de livrare

Limita stoc
Adauga in cos
Cod Produs: 045726-226 Ai nevoie de ajutor? 0373.760.413
Adauga la Favorite Cere informatii Comanda rapida
  • Descriere
  • Caracteristici
  • Review-uri (0)
Pompa centrifuga monobloc, 4 Kw, 25.2 mCA, 400V, Foras MN50-125 A

Pompele centrifugale monobloc orizontale din gama MN sunt construite conform standardului EN 733 si pot fi utilizate pe scara larga în sistemele de alimentare cu apa, presurizare și filtrare, racire, încalzire, irigare, aplicații industriale și agricole.

Caracteristici:
· Corpul pompei si suportul motorului sunt confectionate din fonta, rotorul din fonta, bronz sau otel inoxidabil, etansarea mecanica din ceramica-grafit, iar arborele motor din otel inoxidabil;
· Temperatura lichidului poate fi intre -10°C si 90°C;
· Presiunea maxima de lucru este de 10 bari.

Motor:
· Motor cu 2 poli monofazat sau trifazat;
· Clasa de izolatie F;
· Grad de protectie IP55.

Date tehnice:
 Debit maxim: 1200 litri/minut
 Inaltime maxima de pompare: 25.2 mCA
 Putere consumata: 5.5 Kw
 Putere utila: 4.0 Kw
 Tensiune de alimentare: 400 V
 Temperatura maxima a lichidului: 90°C
 Tip motor: 2 poli
 Clasa de izolatie: F
 Clasa de protectie: IP 55
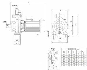
 Dimensiune racord de aspiratie: DN 65
 Dimensiune racord de refulare: DN 50
 Greutate: 50 kg
Informatii conformitate produs

Alimentare electrica ( V-PH-Hz ): trifazat

Putere nominala kW: 4

Inaltime de pompare (m): 25.2

Debit maxim de apa (L/min): 1200

Daca doresti sa iti exprimi parerea despre acest produs poti adauga un review.

Review-ul a fost trimis cu succes.

Compara produse

Trebuie sa mai adaugi cel putin un produs pentru a compara produse.

A fost adaugat la favorite!

A fost sters din favorite!