⌚ LUNI - VINERI 9.00 - 17.00

IMMERGAS Pompa de caldura aer-apa tip split 9 kw Immergas model Magis Pro 9 V2

IMMERGAS
22.150,10 RON
TVA inclus

PRODUS ACHIZITIONABIL PRIN S.E.A.P.

Click pentru detalii 
 
In stoc

Durata de livrare: 24 - 72 ore

Limita stoc
Adauga in cos
Cod Produs: 045631-314 Ai nevoie de ajutor? 0373.760.413
Adauga la Favorite Cere informatii Comanda rapida
  • Descriere
  • Caracteristici
  • Review-uri (0)
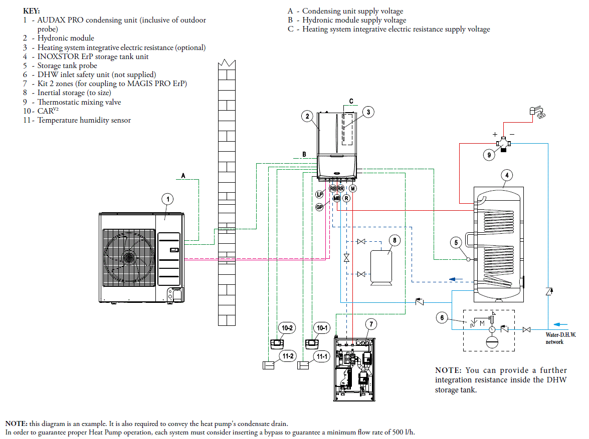
MAGIS PRO sunt pompe de caldura aer apa, SISTEM SPLIT, avand o unitate externa (condensing unit) si o unitate interna (Kit-ul hydronic).
Freon Ecologic R32
Sufixul PRO indica faptul ca sunt echipamente ce trebuie montate de personal calificat / specializat care va face conexiunile pe partea de refrigerant dintre unitatile externa si interna.

Circuitul de apa (hydronic kit) este montat interior, excluzandu-se astfel orice posibilitate de inghet, ceea ce face pompele de caldura MAGIS PRO solutia ideala pentru aplicatii de incalzire in zone foarte reci.

Pompele de caldura MAGIS PRO sunt complet echipate pot fi folosite in aplicatii "stand-alone" pentru incalzire/racire si producere ACM cat si integrate in sisteme complexe cu centrale in condesatie, panouri solare, etc.

Unitate externa - condensare:
· Compresor rotativ tehnologie inverter
· Preincarcat cu refrigerant R410A
· Vana electronica de laminare
· Vana 4 cai inversare ciclu
· Ventilator
· Functionare reversibila racire/incalzire

Unitatea interna - kit hydronic:
· Schimbator apa/freon R410A (48 placi)
· Vas expansiune 12 litri
· Debitmetru
· Pregaranjare pentru kit rezistenta  electrica aditionala
· Pompa de circulatie (presiune 7mCA)
· Vana deviatoare cu 3 cai pentru circuit ACM
· Tablou de comanda (2 zone)


 
CARACTERISTICI TEHNICE
Alimentare electrica 1x230V - 50Hz
Incalzire (A7/W35) 9 kW
- COP (A7/W35) 4.81
Incalzire (A7/W45) 8.6 kW
- COP (A7/W45) 3.69
Incalzire (A7/W55) 8 kW
- COP (A7/W55) 2.93
Racire (A35/W18) 8.7 kW
- EER (A35/W18) 4.12
Racire (A35/W7) 6.5 kW
- EER (A35/W7) 3.33
Plaja temperatura exterioara (incalzire) -25/35 °C
Plaja temperatura agent racire 7 - 25 °C
Plaja temperatura agent incalzire 20-65 °C
Plaja temperatura exterioara (racire) 10 - 46 °C
Cantitate freon (R32) 1400 g
Conexiuni freon (lichid) R32 9,52-3/8”
Conexiuni freon (gas) R32 15,88 - 5/8”
Lungime maxima tevi freon 50 m
Diferenta de inaltime maxima 30 m
Putere max absorbita (unitate + kit Hydronic) 4300 W
Masa unitate externa 73 kg
Tip Monofazat
Unitate interna
Vas expansiune (Volum) 12 l
Plaja temperatura apa- Apa Calda Menajera 10 - 50 °C
Grad de protectie X4D IP
Presiune maxima circuit hidraulic 3 bar
Masa neta unitate interna 33.5 kg



























































 















 
Informatii conformitate produs

Putere termica (kW): 9 Kw

Alimentare electrica ( V-PH-Hz ): monofazat

Utilizare pompa de caldura: Incalzire, racire, producere A.C.M

Tip produs: tip split

Tip agent frigorific: R32

Daca doresti sa iti exprimi parerea despre acest produs poti adauga un review.

Review-ul a fost trimis cu succes.

Compara produse

Trebuie sa mai adaugi cel putin un produs pentru a compara produse.

A fost adaugat la favorite!

A fost sters din favorite!